Parameters | Design Value | Unit | |
Design Wavelength | 1310 | nm | |
Effective Diameter (ED) | Left Side | 0.60 | mm |
| Effective Diameter (ED) | Right Side | 0.50 | mm |
Numerical Apertue (NA) | Left Side | / | - |
| Numerical Apertue (NA) | Right Side | / | - |
Effective Focal Length (EFL) | 1.600 | mm | |
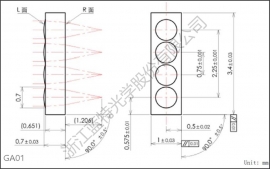
Working Distance | 1.205 | mm | |
Outer Diameter (OD) | 3.4*1.0*0.651 | mm | |
Center Thickness (CT) | 0.70 | mm | |
Array Lens Pith | 0.75* | mm | |
Optical Glass Material | D-ZLAF52LA | CDGM | |

